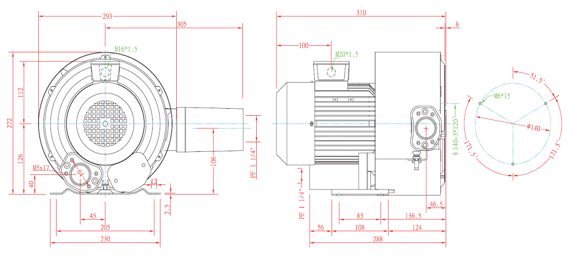
KZ-230

單相鼓風機
|
型 號 |
功率 |
口徑 |
頻率 |
電壓 |
電流 |
靜壓 (吸/吐) |
最大風量 |
重量 |
噪音 |
過濾器 |
|
KW |
inch |
Hz |
V |
A |
mbar |
m3/min |
KG |
db |
MF10 |
|
|
KZ-230-11 |
0.75 |
PF 1 1/4" |
50 |
100-120 |
9.2 |
180 / 220 |
1.6 |
17.5 |
60 |
|
|
200-240 |
4.5 |
|||||||||
|
0.85 |
60 |
110-120 |
11.0 |
200 / 220 |
1.8 |
67 |
||||
|
220-240 |
5.4 |
三相鼓風機
|
型 號 |
功率 |
口徑 |
頻率 |
電壓 |
電流 |
靜壓 (吸/吐) |
最大風量 |
重量 |
噪音 |
過濾器 |
|
KW |
inch |
Hz |
V |
A |
mbar |
m3/min |
KG |
db |
MF10 |
|
|
KZ-230-16 |
0.75 |
PF 1 1/4" |
50 |
200-240 |
3.70 |
200 / 240 |
1.6 |
17 |
60 |
|
|
345-415 |
2.14 |
|||||||||
|
0.85 |
60 |
220-275 |
3.90 |
245 / 245 |
1.8 |
67 |
||||
|
380-480 |
2.25 |
產品特性:
安裝容易
可隨時安裝與使用,供壓縮空氣或用於抽真空,亦可任意安裝於水平或垂直的方向。
結構堅固,可靠性高
鼓風機與馬達外殼分開壓鑄,皆用鋁合金精密壓鑄成型,堅固耐用。除了風葉之外,鼓風機沒有其他動件,因此可靠性高幾乎免維修。
無污染
風葉旋轉時,不與任何部分零件接觸,免潤滑,無油氣無污染。
低噪音低震動
一體式的消音設施,低噪音馬達直接運轉,風葉均經過電腦平衡校正與高精密的機械加工,使震動及噪音降到最低。
最高品質
精密機械設計,專業製造經驗,每一台鼓風機在出廠前均經過嚴格測試。
規格書下載
品牌:
KIZN

